Global-Cleaning Equipment Partner for Electronics Industry
  • Home
  • About
  • Products
    • SMT Cleaning Machine
    • PCBA Cleaning Machine
    • SEMI Packaging Cleaning Machine
    • Inline Cleaning Machine
  • News
  • Contact
Menu
Click to enlarge
Home PCBA Cleaning Machine DI water machine DI-1000 Deionized Water Supply Machine Automatic Water Purifier RO DI Water for Cleaning Production
BC680 PCBA Inline Spray Cleaning Machine Electronic PCB Cleaner
BC680 PCBA Inline Spray Cleaning Machine Electronic PCB Cleaner
Back to products
AC100 Ion Contamination Tester for PCBs and Electronic Components Cleanliness Tester
AC100 Ion Contamination Tester for PCBs and Electronic Components Cleanliness Tester

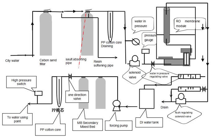
DI-1000 Deionized Water Supply Machine Automatic Water Purifier RO DI Water for Cleaning Production

DI-1000 is used to turn tap water into DI water and supply to our PCBA batch type cleaning machine for DI water rinse after liquid cleaning. It consists of three main components: pre-treatment system, RO reverse osmosis system, and MB mixed bed system. The equipment features easy operation, stable performance, and fully automatic operation, ensuring high effluent resistivity.

Categories: DI water machine, PCBA Cleaning Machine Tags: Automatic Water Purifier, Deionized Water Supply Machine, Electrical Cleaning Equipment, High Pressure Clean, PCB Spray Washing, PCBA Batch Cleaning, PCBA Cleaning Production, RO DI Water supplying, smart ems factory, SMT Assembly line machine maker, SMT PCB Assembly, SMT Peripheral Equipment
Share:
  • Description
Description

Features

All in one integration design, compact machine.

Advanced DI water purify technology, RO reverse+ MB process.

Automatic working, DI water resistivity up to 15MΩ and stable.

Low electric power, low press RO film.

Multiple MB to improve Di water productivity and resistivity.

24 hour working.

Auto shutdown protection for insufficient water supply.

Auto shutdown protection for high RO outlet pressure, low inlet pressure, and full pure water tank.

Equipment structure

Specification document

Item Technical Specifications
Raw Water Supply 2.5T/H
Raw Water Pressure 0.15~0.3Mpa
DI Water Output 1000L/H
DI Water Tank 160L
DI Water Resistivity ≥10MΩ
DI Water Pressure Pump 0.37KW
Filter System 50L Quartz Sand + Activated Carbon
Cation Softener 75L Softening Resin
Filter 20inch 5μm * 2 pcs
High Pressure Pump 1.1KW
RO Membrane 4 pcs
Polishing Resin 50L (2 tanks)
Control by PLC+HDMI
Power Supply AC380V,50/60HZ,2.2KW
Machine Dimensions L1300*W1350*H1800(mm)
Machine Weight 700kg
Equipment Material DI water tank–SUS304;Out frame and cover–SUS201

Technical Parameters





    Related products

    AC530 PCBA Offline Cleaning Machine Ultrasonic Cleaner for PCB Board Electric

    PCBA Cleaning Machine, PCBA Cleaning Machine
    AC530 is a large-scale offline PCBA cleaning machine, suitable for medium-batch production. It enables automatic cleaning of small-sized PCBA and large-sized PCBA. Widely used in high-standard industries such as automotive electronics, military, aerospace, medical, LED, and smart instrumentation, the machine features high integration and a compact footprint. It automatically completes the entire workflow of cleaning, rinsing, and drying in a single unit.
    Read more
    Quick view

    BC220 Reflow Oven Coller Condenser Cleaning Machine

    SMT Cleaning Machine, Fixture Cleaning Machine
    BC220 Reflow Oven Condenser Cleaner is designed for the automatic removal of flux residues from condensers, filters, and ventilation racks in lead-free reflow soldering machines. Controlled by a PLC system, it automatically executes a complete cycle of cleaning, rinsing, and hot air drying. This machine ensures thorough cleaning while perfectly protecting the heat sink fins from damage, making it an essential tool for regular maintenance to restore thermal efficiency.
    Read more
    Quick view

    BC310 SMT Pneumatic Stencil Cleaning Machine

    SMT Cleaning Machine, Stencil Cleaning Machine
    The BC310 Pneumatic Stencil Cleaner is specially designed for the automatic cleaning of solder paste stencils and red glue stencils in SMT processes. It is compatible with both water-based cleaning fluids and solvents, catering to the requirements of different production scenarios. Selected high-quality pneumatic components are adopted for the equipment, combined with stringent manufacturing processes. This ensures high quality and operational stability of the whole machine from the source, continuously empowering the production line. Featured with a user-friendly one-key operation process, it enables automatic connection of cleaning and drying procedures, greatly simplifying operation steps and improving production efficiency. Meanwhile, equipped with a specially designed spray rod rotating mechanism, coupled with a high-flow and high-pressure cleaning mode, it can fully cover the stencil gaps, powerfully remove residual stains, ensure stencil cleaning cleanliness, and facilitate the accurate and efficient implementation of subsequent printing processes.  
    Read more
    Quick view

    BC320 SMT Pneumatic Stencil Cleaning Machine Stencil Cleaner

    SMT Cleaning Machine, Stencil Cleaning Machine
    BC320 Stencil Cleaner is suitable for cleaning solder paste stencils, red glue stencils, red glue copper stencils and red glue resin stencils in SMT processes, and can also realize automatic cleaning of misprinted PCBs and PCBAs. The equipment adopts a three-stage processing procedure of spray cleaning + DI water rinsing + hot air drying, using water-based cleaning fluid throughout the process for excellent environmental friendliness and cleaning performance. During the cleaning process, the stencil is driven by a motor to move back and forth at a constant speed, while the spray rods and air knives on both sides remain stationary. Through the efficient coordination of dynamic cleaning and static spraying, it fully ensures the stability and reliability of equipment operation, as well as the high cleanliness of stencils after cleaning.
    Read more
    Quick view

    DI-200 Deionized Water Supply Machine Automatic Water Purifier RO DI Water for Cleaning Production

    PCBA Cleaning Machine, DI water machine
    DI200  is used to turn tap water into DI water and supply to our PCBA batch type cleaning machine for DI water rinse after liquid cleaning. It consists of three main components: pre-treatment system, RO reverse osmosis system, and MB mixed bed system. The equipment features easy operation, stable performance, and fully automatic operation, ensuring high effluent resistivity.
    Read more
    Quick view

    FC660 FC Packaging Fully Automatic Inline Cleaning Machine for Chip Semiconductor

    Inline Cleaning Machine, SEMI Packaging Cleaning Machine
    FC660 is a high-performance Inline Semiconductor Package Cleaning Machine designed specifically for advanced packaging applications including CSP, WLP, PLP, SiP, and FC devices. It is primarily used for the efficient removal of post-soldering flux residues. It's a PC-based control system and a mesh belt conveyor system, the FC660 utilizes top-and-bottom spray cleaning combined with multi-stage rinsing. As a new-generation, high-precision inline cleaning system, it ensures superior cleaning results and high stability during continuous production.
    Read more
    Quick view

    FC700 FC Packaging Fully Automatic Inline Cleaning Machine for Chip Semiconductor

    Inline Cleaning Machine, SEMI Packaging Cleaning Machine
    FC700 is a high-performance Inline Semiconductor Package Cleaning Machine designed specifically for advanced packaging applications including CSP, WLP, PLP, SiP, and FC devices. It is primarily used for the efficient removal of post-soldering flux residues. It's a PC-based control system and a mesh belt conveyor system, the FC700 utilizes top-and-bottom spray cleaning combined with multi-stage rinsing. As a new-generation, high-precision inline cleaning system, it ensures superior cleaning results and high stability during continuous production.
    Read more
    Quick view

    UC-250BV SMT PCB Surface Cleaning Machine

    SMT Cleaning Machine, PCB Surface Cleaning Machine
    UC-250BV removes dust, fibers, and metal particles from PCB pads inline before printing. It guarantees a contaminant-free surface to eliminate soldering defects and maximize yield.
    Read more
    Quick view
      Global-Cleaning Equipment Partner for Electronics Industry
      • Fuyong, Baoan District, Shenzhen City, China
      • Phone: 8613277734640
      • Email: info@spertar.com
      Company Info
      • About
      • News
      • Contact
      Product Category
      • SMT Cleaning Machine
      • PCBA Cleaning Machine
      • SEMI Packaging Cleaning Machine
      • Inline Cleaning Machine
      Recent Posts
      • Precision Cleaning: The Core Guarantee of the Electronic Semiconductor Industry​
        February 27, 2026 No Comments
      • PCBA Cleaning Precautions & Process Importance
        January 27, 2026 No Comments
      Copyright © 2026 Shenzhen SPERTAR Electronics Co., Ltd
      • Menu
      • Categories
      • SMT Cleaning Machine
        • Stencil Cleaning Machine
        • Fixture Cleaning Machine
        • Squeegee Cleaning Machine
        • Nozzle Cleaning Machine
        • PCB Surface Cleaning Machine
      • PCBA Cleaning Machine
      • SEMI Packaging Cleaning Machine
      • Inline Cleaning Machine
      • Home
      • About
      • Products
      • News
      • Contact
      Shop
      0 items Cart
      My account