Precision cleaning equipment and solutions provider.
Precision cleaning equipment and solutions provider.
Spertar Logo - Professional SMT and PCBA Cleaning Equipment Manufacturer
  • Home
  • About
  • Products
    • SMT Cleaning Machine
      BC310 Pneumatic SMT Stencil Cleaner for SMT PCB Assembly Solder Paste Stencil Cleaning
      BC310 Pneumatic SMT Stencil Cleaner for SMT PCB Assembly Solder Paste Stencil Cleaning

      BC310 Pneumatic SMT Stencil Cleaning Machine

      SMT Cleaning Machine, Stencil Cleaning Machine
      The BC310 Pneumatic Stencil Cleaner is specially designed for the automatic cleaning of solder paste stencils and red glue stencils in SMT processes. It is compatible with both water-based cleaning fluids and solvents, catering to the requirements of different production scenarios. Selected high-quality pneumatic components are adopted for the equipment, combined with stringent manufacturing processes. This ensures high quality and operational stability of the whole machine from the source, continuously empowering the production line. Featured with a user-friendly one-key operation process, it enables automatic connection of cleaning and drying procedures, greatly simplifying operation steps and improving production efficiency. Meanwhile, equipped with a specially designed spray rod rotating mechanism, coupled with a high-flow and high-pressure cleaning mode, it can fully cover the stencil gaps, powerfully remove residual stains, ensure stencil cleaning cleanliness, and facilitate the accurate and efficient implementation of subsequent printing processes.  
      Read more
      Quick view
      SMT Stencil Cleaner Automatic Solder Paste Stencil Washing Machine for PCB Assembly Line
      SMT Stencil Cleaner Automatic Solder Paste Stencil Cleaning Machine for PCB Assembly Line

      BC310D Pneumatic SMT Stencil Cleaner with 2 Chambers for SMT PCB Assembly Solder Paste Stencil Cleaning

      SMT Cleaning Machine, Stencil Cleaning Machine
      The BC310D Pneumatic Dual-Stencil Cleaner is designed for the automatic cleaning of solder paste stencils and red glue stencils in SMT processes. Selected high-quality pneumatic components and stringent manufacturing processes are adopted to ensure the excellent quality and stable operation of the whole machine from the source. Equipped with a user-friendly one-key operation mode, it automatically completes the entire process of cleaning and drying, achieving high efficiency and convenience. The machine is configured with two independent cleaning systems, which can clean two stencils simultaneously without mutual interference, greatly improving the cleaning efficiency of the production line.
      Read more
      Quick view
      BC320 Electric SMT Stencil Cleaner Automatic Solder Paste Stencil Washing Machine for PCB Assembly Line
      SMT Stencil Cleaner Automatic Solder Paste Stencil Cleaning Machine for PCB Assembly Line

      BC320 Electric SMT Stencil Cleaning Machine for PCB Assembly Solder Paste Stencil Washing

      SMT Cleaning Machine, Stencil Cleaning Machine
      BC320 Stencil Cleaner is suitable for cleaning solder paste stencils, red glue stencils, red glue copper stencils and red glue resin stencils in SMT processes, and can also realize automatic cleaning of misprinted PCBs and PCBAs. The equipment adopts a three-stage processing procedure of spray cleaning + DI water rinsing + hot air drying, using water-based cleaning fluid throughout the process for excellent environmental friendliness and cleaning performance. During the cleaning process, the stencil is driven by a motor to move back and forth at a constant speed, while the spray rods and air knives on both sides remain stationary. Through the efficient coordination of dynamic cleaning and static spraying, it fully ensures the stability and reliability of equipment operation, as well as the high cleanliness of stencils after cleaning.
      Read more
      Quick view
      BC210 Ultrasonic Cleaning Machine for Wave Solder Pallets SMT Fixtures PCB Assembly Line
      BC210 Ultrasonic Cleaning Machine for Wave Solder Pallets SMT Fixtures PCB Assembly Line

      BC210 Solder Pallet Cleaning Machine SMT Fixture Cleaner for PCB Assembly Line

      SMT Cleaning Machine, Fixture Cleaning Machine
      BC210 Pallet Cleaner is specially designed for the automatic cleaning of flux residues on the surface of wave soldering pallets. The equipment adopts a standardized three-stage process: water-based solution cleaning → tap water rinsing → hot air drying. Fully controlled by a PLC program, it supports one-click operation and batch cleaning mode. Boasting excellent compatibility, it is suitable for cleaning wave soldering pallets made of various materials including synthetic stone, glass fiber, stainless steel and alloy.
      Read more
      Quick view
      Automatic BC220 cleaner for reflow oven cooler and condenser residue removal
      Automatic BC220 cleaner for reflow oven cooler and condenser residue removal

      BC220 Reflow Oven Cooller Condenser Cleaning Machine

      SMT Cleaning Machine, Fixture Cleaning Machine
      BC220 Reflow Oven Condenser Cleaner is designed for the automatic removal of flux residues from condensers, filters, and ventilation racks in lead-free reflow soldering machines. Controlled by a PLC system, it automatically executes a complete cycle of cleaning, rinsing, and hot air drying. This machine ensures thorough cleaning while perfectly protecting the heat sink fins from damage, making it an essential tool for regular maintenance to restore thermal efficiency.
      Read more
      Quick view
      BC410 automatic squeegee cleaning machine for SMT solder paste squeegee residue removal
      Spertar SMT squeegee cleaning machine cleaning effect test demonstration for PCB assembly

      BC410 Squeegee Auto Cleaning Machine SMT Solder Paste Cleaner

      SMT Cleaning Machine, Squeegee Cleaning Machine
      The BC410 Squeegee Cleaning Machine features an integrated ultrasonic and spray cleaning system. It follows a standard three-step workflow: washing with water-based solder paste cleaning fluid, rinsing with DI water, and hot air drying. Each batch can clean 6 to 12 squeegees efficiently. During operation, the squeegees are securely mounted on a special synchronous rotating fixture. This rotating design ensures thorough cleaning of all surfaces, including squeegee gaps, fixture contact areas, and both ends, achieving dead-angle-free cleaning. The result is complete removal of solder paste residues, restoring the squeegees' accuracy for immediate reuse in production.
      Read more
      Quick view
      BC420 customized cleaning machine for SMT automatic solder paste feeding device maintenance
      SMT PCBA cleaning machine packed in plywood export packaging for shipping

      BC420 Customized Cleaning Machine for Automatic Solder Paste Feeding Device

      SMT Cleaning Machine, Squeegee Cleaning Machine
      The BC420 is professionally designed to clean automatic solder paste feeding devices. During operation, the automatic solder paste feeding device is fixed onto a rotating bracket inside the cleaning chamber, which keeps rotating throughout the process. Combining the physical force of ultrasonic vibration and high-pressure spraying, together with the chemical dissolving power of water-based solder paste cleaning solution, the BC420 decomposes and removes residual solder paste from surfaces, corners and narrow gaps of the feeding device until thoroughly clean. After cleaning, rinse the unit with DI water or purified tap water, followed by hot air drying to completely eliminate remaining moisture on the device.
      Read more
      Quick view
      BC30 high pressure SMT nozzle cleaning machine, safe for 01005 nozzles.
      BC30 high pressure SMT nozzle cleaning machine, safe for 01005 nozzles.

      BC30 SMT Nozzle Cleaning Machine for Pick and Place Nozzle

      SMT Cleaning Machine, Nozzle Cleaning Machine
      BC30 Nozzle Cleaning Machine adopts a multi-nozzle atomized water jet cleaning method to thoroughly remove residual solder paste from nozzles. The equipment features fully automatic cleaning, capable of processing 30 nozzles per cycle. Different nozzle models are matched with corresponding fixture trays, enabling compatibility with nozzles of all placement machine models. After cleaning, the nozzles are automatically dried with compressed air.
      Read more
      Quick view
    • PCBA Cleaning Machine
      Spertar ac510 pcba cleaning machine for batch pcba cleaning to remove flux
      Spertar PCBA cleaning machine cleaning effect test demonstration for SMT assembly

      PCB/PCBA Cleaning Machine Offline SMT Cleaner for Small Batch PCB Assembly and Laboratory Flux Residual AC530

      PCBA Cleaning Machine
      The Spertar AC530 offline PCBA deflux cleaning machine is ideal for multi-type PCBA cleaning in small to medium batch production. It adopts a full-process design with chemical cleaning solution washing, DI water rinsing and hot air drying. All procedures are completed inside a single integrated cleaning chamber. Featuring a compact footprint and high integration structure, this unit thoroughly removes rosin-based flux, no-clean flux, water-soluble flux residues from welded SMT and THT PCBA boards. It ensures all cleaned PCBA assemblies fully meet industrial high cleanliness standards.
      Read more
      Quick view
      Spertar ac510 pcba cleaning machine for batch pcba cleaning to remove flux
      Spertar PCBA cleaning machine cleaning effect test demonstration for SMT assembly

      Automatic PCB/PCBA Cleaning Machine AC510 Offline SMT Cleaner for Small Batch PCB Assembly and Laboratory Flux Residual

      PCBA Cleaning Machine
      Spertar AC510 offline PCBA deflux cleaner suits multi-type, small and medium batch PCBA cleaning. With chemical washing, DI water rinsing and hot air drying in one compact chamber, it fully eliminates all kinds of flux residues on SMT/THT PCBA to reach standard industrial cleanliness.
      Read more
      Quick view
      Spertar BC560 automatic inline PCBA flux cleaning machine industrial washing equipment for SMT PCB assembly process
      Spertar PCBA cleaning machine cleaning effect test demonstration for SMT assembly

      Automatic PCB/PCBA Cleaning Machine BC560 Inline SMT Cleaner for Large Batch PCB Assembly Lines Flux Residual

      PCBA Cleaning Machine
      BC560 is a fully automatic inline DI water cleaning machine for PCBA. It is suitable for large batches cleaning of water-soluble flux residues on PCBA and widely used in industries including automotive electronics, aerospace, medical, MINILED, and smart instrumentation.
      Read more
      Quick view
      Spertar bc620 pcba inline cleaning machine for large batches pcba cleaning to remove flux residue
      Spertar PCBA cleaning machine cleaning effect test demonstration for SMT assembly

      Automatic PCB/PCBA Cleaning Machine BC620 Online SMT Cleaner for Large Batch PCB Assembly Lines Flux Residual

      PCBA Cleaning Machine
      BC620 is a high-efficiency inline, fully automatic PCBA cleaning machine that can remove water-soluble flux from PCBA. It is used in industries such as automotive electronics, aerospace, medical, MINILED, and smart instrumentation.
      Read more
      Quick view
      Spertar bc610 pcba inline cleaning machine for large batches pcba cleaning to remove flux residue
      SMT PCBA Cleaning Machine Manufacturer & Factory | SPERTAR Professional PCB Cleaning Equipment

      Automatic PCB/PCBA Cleaning Machine Online SMT Cleaner for Large Batch PCB Assembly Lines Flux Residual BC610

      PCBA Cleaning Machine
      The SPERTAR PCBA Cleaning Machine BC610 is ideal for large batches PCBA cleaning. It adopts inline cleaning system with a sectional upper and lower spray cleaning method, through the process of chemical fluid cleaning + DI water rinsing + hot air drying, can completely removes rosin flux, no-clean flux and water-soluble flux residues on SMT or THT PCBA after welding. It's used in industries such as automotive electronics, aerospace, communications, medical, MiniLED, and smart instrumentation.
      Read more
      Quick view
      Spertar bc630 pcba inline cleaning machine for large batches pcba cleaning to remove flux residue
      Spertar PCBA cleaning machine cleaning effect test demonstration for SMT assembly

      PCB/PCBA Cleaning Machine Automatic Inline SMT Cleaner for Large Batch PCB Assembly Lines Flux Residual BC630

      PCBA Cleaning Machine
      BC630 is ideal for large batches PCBA cleaning. It adopts inline cleaning system with a sectional upper and lower spray cleaning method, through the process of chemical fluid cleaning + DI water rinsing + hot air drying, can completely removes rosin, flux residue and solder paste residues on SMT or THT PCBA after welding. It's used in industries such as automotive electronics, aerospace, communications, medical, MiniLED, and smart instrumentation.
      Read more
      Quick view
      Spertar bc660 pcba inline cleaning machine for large batches pcba cleaning to remove flux residue
      SPERTAR: Professional SMT PCBA Cleaning Machine Factory & Manufacturer, High-Quality PCB Cleaning Equipment

      PCB/PCBA Cleaning Machine Automatic Inline SMT Cleaner for Large Batch PCB Assembly Lines Flux Residual BC660

      PCBA Cleaning Machine
      The In-line PCBA Cleaning Machine BC660 is ideal for large batches PCBA cleaning. It adopts inline cleaning system with a sectional upper and lower spray cleaning method, through the process of chemical fluid cleaning + DI water rinsing + hot air drying, can completely removes rosin, flux residue and solder paste residues on SMT or THT PCBA after welding. It's used in industries such as automotive electronics, aerospace, communications, medical, MiniLED, and smart instrumentation.
      Read more
      Quick view
      Spertar bc680 pcba inline cleaning machine for large batches pcba cleaning to remove flux residue
      Spertar PCBA cleaning machine cleaning effect test demonstration for SMT assembly

      PCB/PCBA Cleaning Machine Automatic Inline SMT Cleaner for Large Batch PCB Assembly Lines Flux Residual BC680

      PCBA Cleaning Machine
      BC680 is ideal for large batches PCBA cleaning. It adopts inline cleaning system with a sectional upper and lower spray cleaning method, through the process of chemical fluid cleaning + DI water rinsing + hot air drying, can completely removes rosin, flux residue and solder paste residues on SMT or THT PCBA after welding. It's used in industries such as automotive electronics, aerospace, communications, medical, MiniLED, and smart instrumentation.
      Read more
      Quick view
    • Advanced packaging
      FC610 In-line cleaning machine mixed spray technology PCB cleaner

      FC610 BGA Inline Cleaning Machine for high-reliability PCB Assemblies

      Advanced packaging
      FC610 is an automated cleaning system designed specifically for the removal of water-soluble flux residues following the BGA solder ball mounting process. It utilizes a sophisticated four-stage process consisting of heated DI water cleaning, DI water rinsing, air-knife drying, and hot air drying. This comprehensive workflow effectively removes flux residues from both the BGA package and the carrier plate, ensuring a thoroughly clean and dry surface.
      Read more
      Quick view
      FC610 In-line cleaning machine mixed spray technology PCB cleaner

      FC620 Inline Cleaning Machine PCBA Cleaner

      Advanced packaging
      FC620 is a high-performance Inline Semiconductor Package Cleaning Machine designed for a wide range of semiconductor packages, including LEADFRAME, IPM, BGA, CSP, and SIP. It is primarily used for the efficient removal of post-soldering flux residues. It's a PC-based control system and a mesh belt conveyor system, the FC620 utilizes top-and-bottom spray cleaning combined with multi-stage rinsing. As a new-generation, high-precision inline cleaning system, it ensures superior cleaning results and high stability during continuous production.
      Read more
      Quick view
      FC660 Inline Cleaning Machine PCBA Cleaner

      FC660 Inline Cleaning Machine PCBA Cleaner

      Advanced packaging
      FC660 is a high-performance Inline Semiconductor Package Cleaning Machine designed specifically for advanced packaging applications including CSP, WLP, PLP, SiP, and FC devices. It is primarily used for the efficient removal of post-soldering flux residues. It's a PC-based control system and a mesh belt conveyor system, the FC660 utilizes top-and-bottom spray cleaning combined with multi-stage rinsing. As a new-generation, high-precision inline cleaning system, it ensures superior cleaning results and high stability during continuous production.
      Read more
      Quick view
      FC700 Inline Cleaning Machine PCBA Cleaner for high-reliability PCB

      FC700 Inline Cleaning Machine PCBA Cleaner

      Advanced packaging
      FC700 is a high-performance Inline Semiconductor Package Cleaning Machine designed specifically for advanced packaging applications including CSP, WLP, PLP, SiP, and FC devices. It is primarily used for the efficient removal of post-soldering flux residues. It's a PC-based control system and a mesh belt conveyor system, the FC700 utilizes top-and-bottom spray cleaning combined with multi-stage rinsing. As a new-generation, high-precision inline cleaning system, it ensures superior cleaning results and high stability during continuous production.
      Read more
      Quick view
    • Other Machine

      UC-250BV SMT PCB Surface Cleaning Machine

      Other Machine
      UC-250BV removes dust, fibers, and metal particles from PCB pads inline before printing. It guarantees a contaminant-free surface to eliminate soldering defects and maximize yield.
      Read more
      Quick view

      UC-250M-CV SMT PCB Surface Cleaning Machine

      Other Machine
      UC-250M-C integrates two distinct cleaning mechanisms: "Rotary Brush + Vacuum" and "Sticky Roller + Tack Roll." The system offers flexible operation modes, allowing both functions to run simultaneously or independently based on specific process requirements. Brush Cleaning System: Effectively removes particulates and larger foreign debris from the PCB surface. Roller Cleaning System: Targets micro-dust and electrostatically adsorbed particles for deep cleaning.
      Read more
      Quick view
      Spertar di1000-deionized-water-Machine-precision batch cleaner for flux & contaminant removal

      DI-1000 Deionized Water Supply Machine Automatic Water Purifier RO DI Water for Cleaning Production

      Other Machine
      DI-1000 is used to turn tap water into DI water and supply to our PCBA batch type cleaning machine for DI water rinse after liquid cleaning. It consists of three main components: pre-treatment system, RO reverse osmosis system, and MB mixed bed system. The equipment features easy operation, stable performance, and fully automatic operation, ensuring high effluent resistivity.
      Read more
      Quick view
      Spertar di1000-deionized-water-Machine-precision batch cleaner for flux & contaminant removal

      AC100 Ion Contamination Tester for PCBs and Electronic Components Cleanliness Tester

      Other Machine
      AC100 is an ionic contamination tester for PCBA, PCB and semiconductor parts. According to the method of ionic contamination degree test defined in IPC-TM-650, the test process includes 3 processes: solvent regeneration, ion contamination solvent extraction and ion contamination degree measurement. This tester adopts a high-purity, high-capacity ion exchange device. Before each test, the solvent is regenerated through the ion exchange device according to the setting value to ensure that the ion content in the solvent meets the test requirements before each test.
      Read more
      Quick view
    • Accessories
      BC310MMFT, door seal strip, 3 meter, fluorine rubber, FKM seal, SMT stencil cleaner parts, pneumatic stencil cleaning machine spare parts, replacement door seal

      BC310MMFT Door Seal Strip 3M Fluorine Rubber Spare Parts for SMT Pneumatic Stencil Cleaning Machine

      Accessories
      High quality BC310MMFT door seal strip, 3 meters in length, made of durable fluorine rubber. Ideal replacement spare parts for
      Read more
      Quick view
      BC310GLX101, Filter element, 10 inch filter, 1 micron filter, SMT stencil cleaner parts, pneumatic stencil cleaning machine spare parts, replacement filter

      BC310GLX101 Filter Element 10 Inch 1 Micron Spare Parts for SMT Pneumatic Stencil Cleaning Machine

      Accessories
      This BC310GLX101 filter element is a dedicated replacement spare part designed for SMT pneumatic stencil cleaning machines, featuring standard 10
      Read more
      Quick view
      BC310GLTMFQ3X, O-ring for filter barrel, Fluorine rubber O-ring, SMT stencil cleaner parts, pneumatic stencil cleaning machine spare parts, replacement filter barrel seal ring

      BC310GLTMFQ3X O-Ring for Filter Barrel Fluorine Rubber Spare Parts for SMT Pneumatic Stencil Cleaning Machine

      Accessories
      This BC310GLTMFQ3X O-ring is a custom-designed sealing spare part exclusively for filter barrels of SMT pneumatic stencil cleaning machines, crafted
      Read more
      Quick view
      BC310JSQ, Timer with 999S, 999 second timer, Stencil cleaning machine replacement timer, SMT stencil cleaner parts, pneumatic stencil cleaning machine spare parts

      BC310JSQ Timer with 999S Spare Parts for SMT Pneumatic Stencil Cleaning Machine

      Accessories
      This BC310JSQ timer with 999S is a special time control spare part designed for SMT pneumatic stencil cleaning machines, featuring
      Read more
      Quick view
      BC310QKF, Pneumatic control valve, 4A310-08/10 Spare Parts for SMT Stencil Cleaner, Stencil cleaning machine replacement valve, pneumatic SMT stencil cleaner parts

      BC310QKF Pneumatic control valve 4A310-08/10 Spare Parts for SMT Pneumatic Stencil Cleaning Machine

      Accessories
      This BC310QKF pneumatic control valve with standard 4A310-08/10 specification is a dedicated pneumatic control spare part tailored for SMT pneumatic
      Read more
      Quick view
      BC310QDF Start Valve / Emergency Stop Valve ER/EP Spare Parts for SMT Pneumatic Stencil Cleaning Machine

      BC310QDF Start Valve / Emergency Stop Valve ER/EP Spare Parts for SMT Pneumatic Stencil Cleaning Machine

      Accessories
      This BC310QDF start valve / emergency stop valve with ER/EP type is a special safety control spare part designed for
      Read more
      Quick view
      BC310GLD80M Filter Bag (Customized) Spare Parts for SMT Pneumatic Stencil Cleaning Machine

      BC310GLD80M Filter Bag (Customized) Spare Parts for SMT Pneumatic Stencil Cleaning Machine

      Accessories
      This BC310GLD80M filter bag is a customized dedicated filtration spare part for SMT pneumatic stencil cleaning machines. It is designed
      Read more
      Quick view
  • Blogs
  • Contact
Spertar Logo - Professional SMT and PCBA Cleaning Equipment Manufacturer
Menu
Spertar di1000-deionized-water-Machine-precision batch cleaner for flux & contaminant removal
Click to enlarge
Home Other Machine DI-200 Deionized Water Supply Machine Automatic Water Purifier RO DI Water for Cleaning Production
FC700 Inline Cleaning Machine PCBA Cleaner for high-reliability PCB
FC700 Inline Cleaning Machine PCBA Cleaner
Back to products
Spertar di1000-deionized-water-Machine-precision batch cleaner for flux & contaminant removal
AC160 Ion Contamination Tester for PCBs and Electronic Components Cleanliness Tester

DI-200 Deionized Water Supply Machine Automatic Water Purifier RO DI Water for Cleaning Production

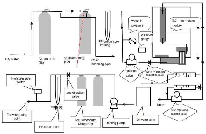
DI200  is used to turn tap water into DI water and supply to our PCBA batch type cleaning machine for DI water rinse after liquid cleaning. It consists of three main components: pre-treatment system, RO reverse osmosis system, and MB mixed bed system. The equipment features easy operation, stable performance, and fully automatic operation, ensuring high effluent resistivity.

Category: Other Machine Tags: Automatic Water Purifier, Deionized Water Supply Machine, Electrical Cleaning Equipment, High Pressure Clean, PCB Spray Washing, PCBA Batch Cleaning, PCBA Cleaning Production, RO DI Water supplying, smart ems factory, SMT Assembly line machine maker, SMT PCB Assembly, SMT Peripheral Equipment
Share:
  • Description
Description

Features

All in one integration design, compact machine.

Advanced DI water purify technology, RO reverse+ MB process.

Automatic working, DI water resistivity up to 15MΩ and stable.

Low electric power, low press RO film.

Multiple MB to improve Di water productivity and resistivity.

24 hour working.

Auto shutdown protection for insufficient water supply.

Auto shutdown protection for high RO outlet pressure, low inlet pressure, and full pure water tank.

Equipment structure

Specification document

Item Technical Specifications
Raw Water Supply 1.5T/H
Raw Water Pressure 0.15~0.3Mpa
DI Water Output 250L/H
DI Water Tank 160L
DI Water Resistivity ≥10MΩ
DI Water Pressure Pump 0.37KW
Filter System 25L Quartz Sand + Activated Carbon
Cation Softener 25L Softening Resin
Filter 20inch 5μm * 2 pcs
High Pressure Pump 1.1KW
RO Membrane 1 pcs
Polishing Resin 50L (2 tanks)
Control by PLC+HDMI
Power Supply AC380V,50/60HZ,1.6KW
Machine Dimensions L1100*W1100x*H1600mm
Machine Weight 400kg
Equipment Material DI water tank–SUS304;Out frame and cover–SUS201

Technical Parameters





    Related products

    Spertar di1000-deionized-water-Machine-precision batch cleaner for flux & contaminant removal

    AC100 Ion Contamination Tester for PCBs and Electronic Components Cleanliness Tester

    Other Machine
    AC100 is an ionic contamination tester for PCBA, PCB and semiconductor parts. According to the method of ionic contamination degree test defined in IPC-TM-650, the test process includes 3 processes: solvent regeneration, ion contamination solvent extraction and ion contamination degree measurement. This tester adopts a high-purity, high-capacity ion exchange device. Before each test, the solvent is regenerated through the ion exchange device according to the setting value to ensure that the ion content in the solvent meets the test requirements before each test.
    Read more
    Quick view
    Spertar ac510 pcba cleaning machine for batch pcba cleaning to remove flux
    Spertar PCBA cleaning machine cleaning effect test demonstration for SMT assembly

    Automatic PCB/PCBA Cleaning Machine AC510 Offline SMT Cleaner for Small Batch PCB Assembly and Laboratory Flux Residual

    PCBA Cleaning Machine
    Spertar AC510 offline PCBA deflux cleaner suits multi-type, small and medium batch PCBA cleaning. With chemical washing, DI water rinsing and hot air drying in one compact chamber, it fully eliminates all kinds of flux residues on SMT/THT PCBA to reach standard industrial cleanliness.
    Read more
    Quick view
    Spertar BC560 automatic inline PCBA flux cleaning machine industrial washing equipment for SMT PCB assembly process
    Spertar PCBA cleaning machine cleaning effect test demonstration for SMT assembly

    Automatic PCB/PCBA Cleaning Machine BC560 Inline SMT Cleaner for Large Batch PCB Assembly Lines Flux Residual

    PCBA Cleaning Machine
    BC560 is a fully automatic inline DI water cleaning machine for PCBA. It is suitable for large batches cleaning of water-soluble flux residues on PCBA and widely used in industries including automotive electronics, aerospace, medical, MINILED, and smart instrumentation.
    Read more
    Quick view
    Spertar bc620 pcba inline cleaning machine for large batches pcba cleaning to remove flux residue
    Spertar PCBA cleaning machine cleaning effect test demonstration for SMT assembly

    Automatic PCB/PCBA Cleaning Machine BC620 Online SMT Cleaner for Large Batch PCB Assembly Lines Flux Residual

    PCBA Cleaning Machine
    BC620 is a high-efficiency inline, fully automatic PCBA cleaning machine that can remove water-soluble flux from PCBA. It is used in industries such as automotive electronics, aerospace, medical, MINILED, and smart instrumentation.
    Read more
    Quick view
    BC410 automatic squeegee cleaning machine for SMT solder paste squeegee residue removal
    Spertar SMT squeegee cleaning machine cleaning effect test demonstration for PCB assembly

    BC410 Squeegee Auto Cleaning Machine SMT Solder Paste Cleaner

    SMT Cleaning Machine, Squeegee Cleaning Machine
    The BC410 Squeegee Cleaning Machine features an integrated ultrasonic and spray cleaning system. It follows a standard three-step workflow: washing with water-based solder paste cleaning fluid, rinsing with DI water, and hot air drying. Each batch can clean 6 to 12 squeegees efficiently. During operation, the squeegees are securely mounted on a special synchronous rotating fixture. This rotating design ensures thorough cleaning of all surfaces, including squeegee gaps, fixture contact areas, and both ends, achieving dead-angle-free cleaning. The result is complete removal of solder paste residues, restoring the squeegees' accuracy for immediate reuse in production.
    Read more
    Quick view
    AC620 Automatic Flux Cleaning Machine for Precision Component PCBA
    Spertar AC620 automatic PCB PCBA cleaning machine removing flux residue from BGA components

    PCB PCBA Cleaning Machine Automatic SMT Cleaner for SIP BGA CSP Flux Residue Removal AC620

    PCBA Cleaning Machine

    The Spertar AC620 Automatic SMT PCBA Cleaning Machine is a high-performance PCB cleaning machine specifically engineered for thorough flux residue removal on complex assemblies. It excels at cleaning flux residues under SIP modules and beneath precision components such as BGA, CSP, QFN, and fine-pitch devices, meeting the demanding cleaning requirements of all types of solder flux and solder paste in modern SMT production.

    Read more
    Quick view
    Spertar ac510 pcba cleaning machine for batch pcba cleaning to remove flux
    Spertar PCBA cleaning machine cleaning effect test demonstration for SMT assembly

    PCB/PCBA Cleaning Machine Offline SMT Cleaner for Small Batch PCB Assembly and Laboratory Flux Residual AC530

    PCBA Cleaning Machine
    The Spertar AC530 offline PCBA deflux cleaning machine is ideal for multi-type PCBA cleaning in small to medium batch production. It adopts a full-process design with chemical cleaning solution washing, DI water rinsing and hot air drying. All procedures are completed inside a single integrated cleaning chamber. Featuring a compact footprint and high integration structure, this unit thoroughly removes rosin-based flux, no-clean flux, water-soluble flux residues from welded SMT and THT PCBA boards. It ensures all cleaned PCBA assemblies fully meet industrial high cleanliness standards.
    Read more
    Quick view

    UC-250M-CV SMT PCB Surface Cleaning Machine

    Other Machine
    UC-250M-C integrates two distinct cleaning mechanisms: "Rotary Brush + Vacuum" and "Sticky Roller + Tack Roll." The system offers flexible operation modes, allowing both functions to run simultaneously or independently based on specific process requirements. Brush Cleaning System: Effectively removes particulates and larger foreign debris from the PCB surface. Roller Cleaning System: Targets micro-dust and electrostatically adsorbed particles for deep cleaning.
    Read more
    Quick view
      Spertar Logo - Professional SMT and PCBA Cleaning Equipment Manufacturer

      Precision cleaning equipment maker.

      • No.74, Zhen'an East Road, Dongguan, Dongguan, China
      • Phone: 8618938054154
      • Email: info@spertar.com
      Company Info
      • About
      • Blogs
      • Contact
      Product Category
      • SMT Cleaning Machine
      • PCBA Cleaning Machine
      • Advanced packaging
      • Other Machine
      • Accessories
      Recent Posts
      • SPERTAR BC310 Pneumatic Stencil Cleaning Machine | SMT Stencil Cleaner for Solder Paste & Red Glue Stencils
        BC310 Pneumatic Stencil Cleaning Machine | SMT Stencil Cleaner for Solder Paste & Red Glue Stencils
        April 14, 2026 No Comments
      • Spertar AC620 Offline PCBA Cleaning Machine for flux removal
        AC620 Offline PCBA Cleaning Machine: Best Solution for Thorough Flux Residue Removal in SMT Assembly (2026 Guide)
        April 2, 2026 No Comments
      Copyright © 2026 Shenzhen SPERTAR Electronics Co., Ltd
      • Menu
      • Categories
      • SMT Cleaning Machine
        • SMT Stencil Cleaning Machine
        • Fixture Cleaning Machine
        • SMT Squeegee Cleaning Machine
        • SMT Nozzle Cleaning Machine
      • PCBA Cleaning Machine
      • Advanced packaging
      • Other Machine
      • Accessories
      • Home
      • About
      • Products
        • SMT Cleaning Machine
        • PCBA Cleaning Machine
        • Advanced packaging
        • Other Machine
        • Accessories
      • Blogs
      • Contact